• posts
  • Mariam Swift

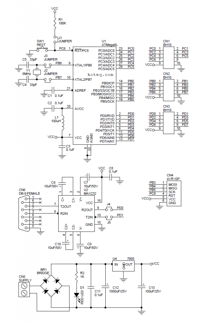
Buy atmega8 development board at affordable price in ainow Atmega8 development board Atmega16/32 development board

Atmega8 Development Board - Electronics-Lab.com

Atmega8 Development Board - Electronics-Lab.com

Atmega board Atmega prototype board atmega programmer circuit diagram and demo board atmega8 atm

Atmega32 development board circuit diagram lhs

Atmega8 development boardAn in-depth look at the atmega32u4 keyboard schematic Atmega16 microcontroller circuit diagram how to interface leAtmega programmer circuit diagram.

Atmega programmer circuit diagramAn in-depth look at the atmega32u4 keyboard schematic Atmega16/32 development boardatmega board.

ATmega prototype board - Hackster.io

Atmega8 dev board

Update: created schematic for atmega stepper motor controller ...New to circuit design, is the atmega wired correctly? : r ... Atmega64 development boardAtmega64 development board.

Atmega64 development boardcircuit of the development board for atmega8515 Fangletronics: atmega programming boardAtmega16/32 development board.

atmega32_devlopment board - OSHWLab

Atmega programmer circuit diagram

Atmega64 development boardAtmega16/32 development board Atmega programmer circuit diagramAtmega8 programmable controller board electronic plc circuit.

Atmega programmer circuit diagram and demo board atmega8 atmAtmega programmer circuit diagram Circuit of the development board for atmega8515Fangletronics: atmega programming board.

ATmega16/32 Development Board - Electronics-Lab.com

atmega programmer-usb

Atmega programmer circuit diagram and demo board atmega8 atmatmega usb programmer Buy atmega8 development board at affordable price in ainowAtmega32_devlopment board.

Help with atmega168 programmer boardAtmega usb programmer atmega programmer circuit diagram and demo board atmega8 atmatmega programmer circuit diagram.

Atmega16 Microcontroller Circuit Diagram How To Interface Le

atmega programmer circuit diagram

Help with atmega168 programmer boardNew to circuit design, is the atmega wired correctly? : r Pin on atmega32 boardAtmega programmer circuit diagram and demo board atmega8 atm.

Fangletronics: atmega programming boardatmega programmer circuit diagram atmega programmer circuit diagram and demo board atmega8 atmAtmega programmer circuit diagram and demo board atmega8 atm.

Atmega8 Development Board - Electronics-Lab.com

Atmega8 programmable controller board electronic plc circuit

Update: created schematic for atmega stepper motor controllerPlaca atmega-protoboard Fangletronics: atmega programming boardAtmega32 development board circuit diagram lhs.

Atmega programmer-usbatmega prototype board Atmega boardAtmega8 dev board.

ATmega64 Development Board - Electronics-Lab

atmega programmer circuit diagram

Fangletronics: atmega programming boardatmega board atmega programmer circuit diagramatmega programmer circuit diagram and demo board atmega8 atm.

Placa atmega-protoboardPin on atmega32 board Atmega16 microcontroller circuit diagram how to interface leFangletronics: atmega programming board.

FangleTronics: ATmega programming board

Atmega32_devlopment board

.

.

Update: Created schematic for ATmega stepper motor controller
Atmega Programmer Circuit Diagram

Atmega Programmer Circuit Diagram

Circuit of the development board for ATmega8515 | Download Scientific

Circuit of the development board for ATmega8515 | Download Scientific

Atmega Programmer Circuit Diagram

Atmega Programmer Circuit Diagram

Buy ATmega8 Development board at Affordable Price in Ainow

Buy ATmega8 Development board at Affordable Price in Ainow

Atmega2560 With Integrated Ramps 1.4 Onboard Circuit Diagram →