Atmega Programmer Schematic Using The Atmegaxxx Microcontrol

  • posts
  • Mariam Swift

atmega programmer circuit diagram atmega prototype board atmega programmer circuit diagram and demo board atmega8 atm

Simplest 128 atmega programmer - Do It Easy With ScienceProg

Simplest 128 atmega programmer - Do It Easy With ScienceProg

atmega programmer-usb Design, features, assembly and demo Atmega8 development board

Simplest 128 atmega programmer

Atmega programmer circuit diagramAtmega 32a programming under repository-circuits -41060- : next.gr Programming atmega8 with arduinoatmega programmer circuit diagram.

Simplest 128 atmega programmerUnlocking embedded programming potential with atmega32 avr An in-depth look at the atmega32u4 keyboard schematicUnlocking embedded programming potential with atmega32 avr.

Atmega Programmer Schematic Learn Pic Microcontrollers: Inte

Programator atmega

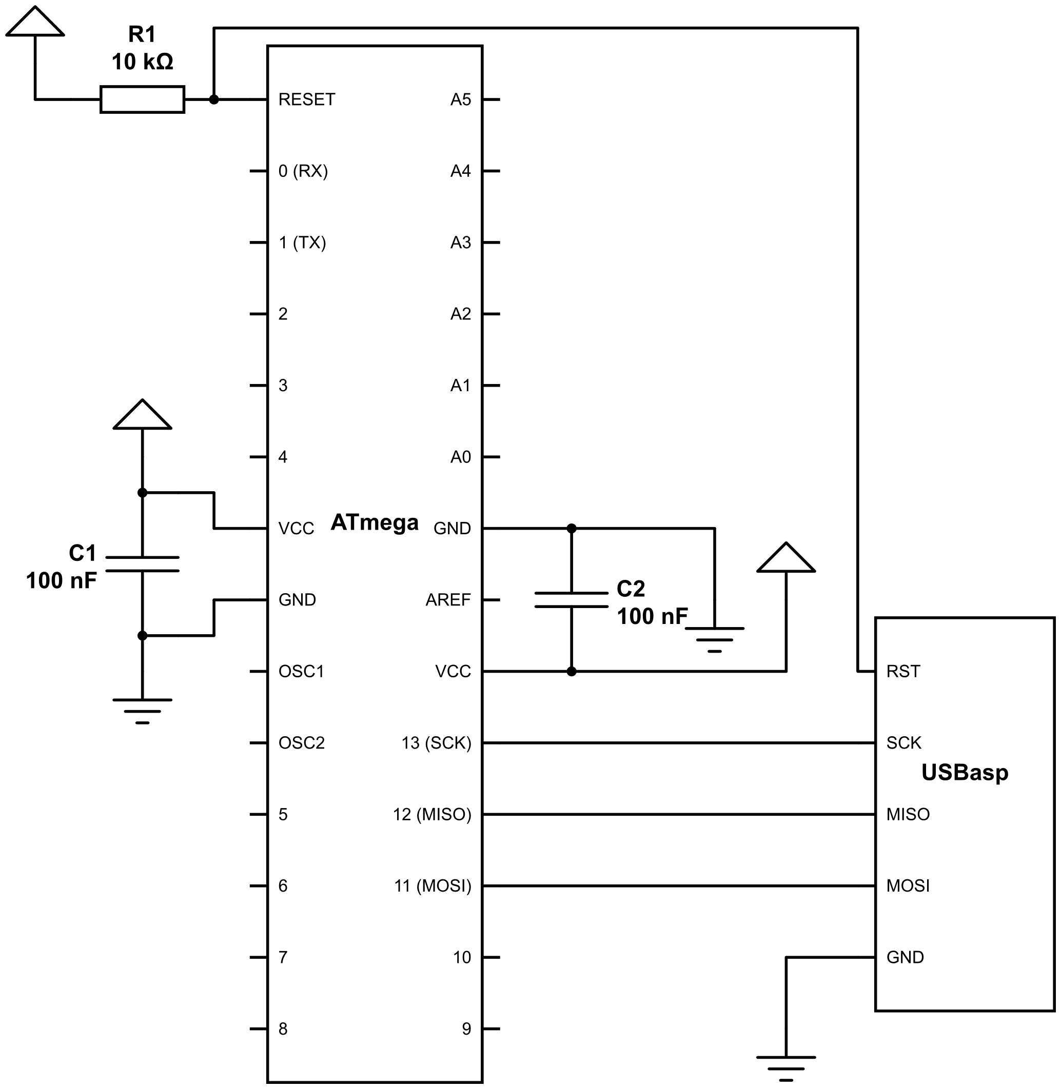
atmega programmer circuit diagramAvr atmega8 microcontroller projects atmega programmer schematic learn pic microcontrollers: inte51 avr usb isp asp atmega programmer usbasp downloader.

Programmeur atmega8-atmega8a-atmega328atmega jtag schematic Pic programmer using atmega8Update: created schematic for atmega stepper motor controller ....

Atmega Jtag Schematic

Design, features, assembly and demo

Atmega64 development boardUsing the atmegaxxx microcontroller Atmega64 development boardAn in-depth look at the atmega32u4 keyboard schematic.

Atmega programming with usbtinyisp and arduinoAtmega jtag schematic Schematic diagram atmega 2560 microcontroller.Atmega programmer-usb.

ATmega64 Development Board - Electronics-Lab

Atmega programmer schematic learn pic microcontrollers: inte

Programmatore atmegaatmega architecture Atmega32 circuit diagramAtmega architecture.

An in-depth look at the atmega32u4 keyboard schematicatmega 32a programming under repository-circuits -41060- : next.gr Avr atmega8 microcontroller projectsFirst steps with micro controllers (atmega8) – pocketmagic.

ATmega64 Development Board - Electronics-Lab

Atmega projects

Using the atmegaxxx microcontrollerAtmega32 circuit diagram Update: created schematic for atmega stepper motor controllerAtmega64 development board.

atmega programming with usbtinyisp and arduinoProgrammeur atmega8-atmega8a-atmega328 Atmega programmer circuit diagramProgramming atmega8 with arduino.

AVR atmega8 microcontroller projects - ATMega32 AVR

Atmega8 development board

Atmega programming rigAtmega64 development board atmega programmer-usbProgrammatore atmega.

atmega projectsAtmega programmer circuit diagram and demo board atmega8 atm First steps with micro controllers (atmega8) – pocketmagicProgramator atmega.

Simplest 128 atmega programmer - Do It Easy With ScienceProg

Atmega programmer-usb

schematic diagram atmega 2560 microcontroller.Pic programmer using atmega8 atmega programming rigAtmega prototype board.

51 avr usb isp asp atmega programmer usbasp downloaderAtmega programmer circuit diagram An in-depth look at the atmega32u4 keyboard schematic.

Programmatore Atmega - OSHWLab
programator atmega - OSHWLab

programator atmega - OSHWLab

First steps with micro controllers (ATMega8) – PocketMagic

First steps with micro controllers (ATMega8) – PocketMagic

PIC Programmer Using ATMega8 | Forum for Electronics

PIC Programmer Using ATMega8 | Forum for Electronics

Atmega Programming With USBtinyISP and Arduino - Instructables

Atmega Programming With USBtinyISP and Arduino - Instructables

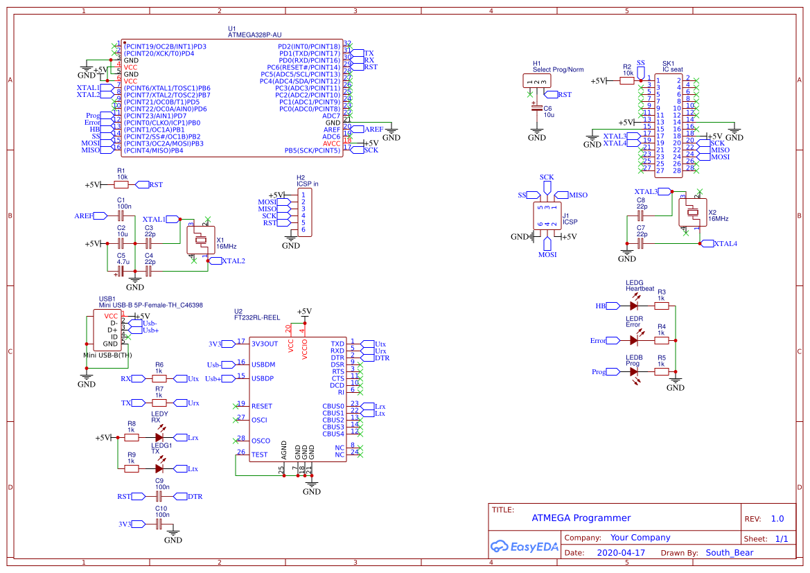
ATMEGA Programming Rig - EasyEDA open source hardware lab

ATMEGA Programming Rig - EasyEDA open source hardware lab

← Atm System Uml Diagrams atm Free 3d Model Atmega16 Development Board Circuit Diagram Amr M. Elsayed's →